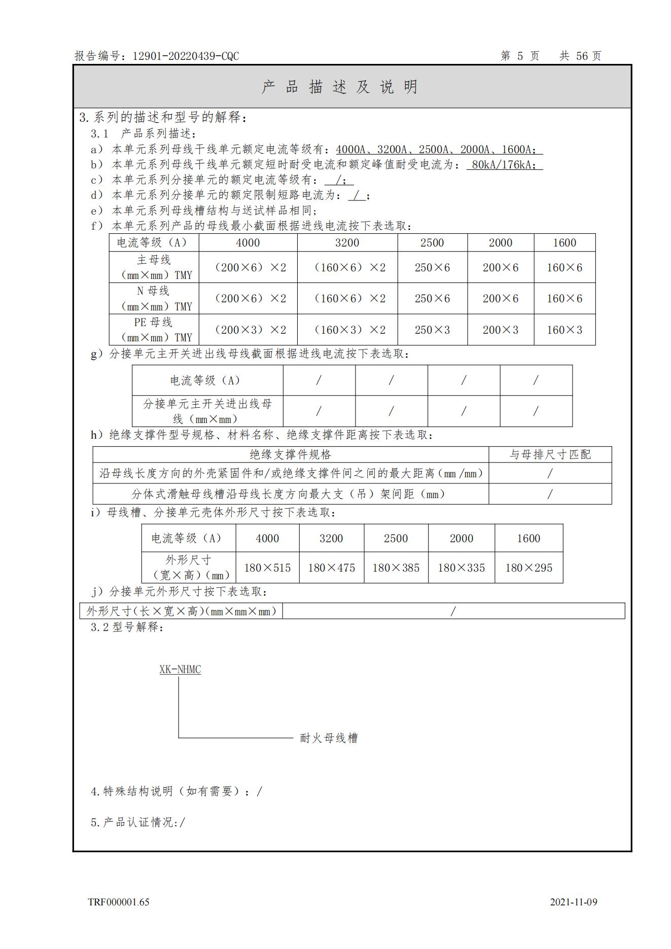
江苏希柯智能电气有限公司
江苏希柯智能电气有限公司主要产品有:电缆汇线桥架、装配式抗震管廊支吊架及太阳能支架系列、高低压母线槽、开关柜、供电滑触线、地面内金属线槽、仪表管阀件等。广泛用于电力、冶金化工、矿山交通水利、高层建筑等各个领域,深受广大用户欢迎。
项目案例
展现公司实力
助力采购方高效寻源采购
项目所在地 全国(5) 陕西省(1)江苏省(1)湖北省(1)福建省(1)
行业分类:
工业;企业自建写字楼;餐馆、食堂、咖啡馆、饮食广场;企业(学校、医院、工厂等)自建住宅楼
采购单位:
******
供应产品:
****** 注册登录免费查看更多
案例描述:
******
希柯桥架(1)
希柯母线槽

资质2022.7.15_46

资质2022.7.15_44

资质2022.7.15_42

资质2022.7.15_4
| 公司电话: | 0511 88021366 |
| 网址: | www.xkzndq.com |
| 公司地址: | 中国内地江苏省镇江市扬中市扬中市新坝镇238省道联丰港闸南侧 |



























